产品快速通道
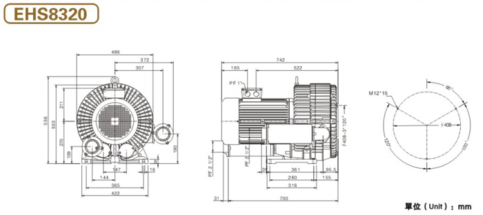
EHS8320

- 产品参数:
- 产品型号: EHS8320
- 额定功率:null
- 电压:null
- 风量:null
- 风压:null
- 转速/极数:null
- 安装方式:null
详细参数
双段鼓风机EHS8320风机特点:1.超静音型,无噪音: 采用德国先进技术,马达直接运转,在通过加上一体式的销音设施,改进了高压风机噪音大的现像,从而达到静音的效果。 2.可靠性高当使用情况变化时,机器仍可安全运转。除了叶轮之外,高压鼓风机没有其他动作,因此可靠性之高几乎免维修。使用独一无二且散热良好的精密外侧轴承,因此它具有下列优点:高压缩比;轴承运转温度低;润滑油脂寿命长;免保养。 3.安装容易 配备齐全,可随时安装与使用,供压缩空气或用于抽真空,也可任意安装于水平或垂直的方向。 4.无油无污染 叶轮旋转时,不与任何部分零件接触,免润滑,因此可保证百分之百无污染。 5.最高品质 经过17年的专业制造经验,最精密机械设计加上慎重电机配合标准仪器测试,使用所有零件均能达到最高品质要求,运用标准ip54,f级马达效率高,故障极少,马达与鼓风机之间有轴封分试,预防异物进入。同时为确保功能效果,每一台鼓风机在出厂前均经过严格测试。 6.电压:万国电压型,50HZ 60HZ均可用,无论您的产品是出口至欧美的使用60Hz,高电压的国家,还是中东,非洲等使用50Hz电压的国家及地区,此款环保风机均能达到要求,功能产齐全,让您无后顾之忧! 适用范围:环保工程 产业机械,塑胶机械(除湿干燥机),印刷机械(丝网印机),照相制版,pcb设备,电器设备,医疗设备,各式燃烧机,锅,环保养殖业等等






粤ICP备11012611号
