产品快速通道
可逆电机90w-120W

- 产品参数:
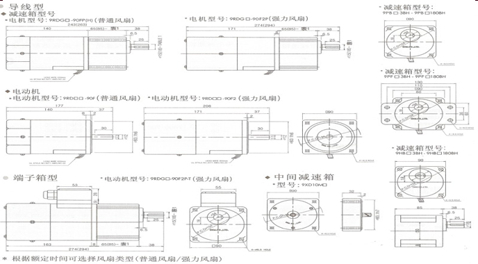
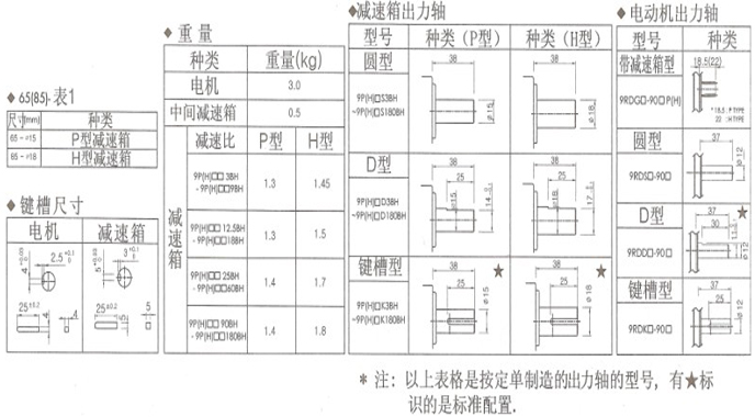
- 产品型号: 9RDG
- 额定功率:90~120W
- 电压:110~230
- 转速/极数:1300~1500
- 安装方式:立式
详细参数
可逆电机除了具有瞬时改变旋转方向这一特点外,其他与普通电机一样,要用电容来连接运行的单相诱导电动机。因此旋转速度和扭矩的特性基本相似,但是可逆电机为了提高瞬间转换正反转功能加大了启动扭矩,所以启动扭矩比普通异步电机的启动扭矩要大。
可逆电机运行时间和温度上升
虽然说明书上标明额定运转时间为30分钟,但是短时间、间歇性地运转时根据运转条件不同而运转时间也不同。可逆电机在短时间、间歇性使用的时候,电机的启动、转换运转方向的时候电流较大,因此电机升温很快,但是把停止运转时间设定长一点,使电机自然冷却,这样能够有效地抑制电机的温度上升。
电机表面温度是电机上升的温度加运转环境温度的值。一般情况下电机外壳的温度在90℃一下并考虑到线圈的绝缘等级,可以连续运转,但是轴承的寿命变短。










粤ICP备11012611号
