产品快速通道
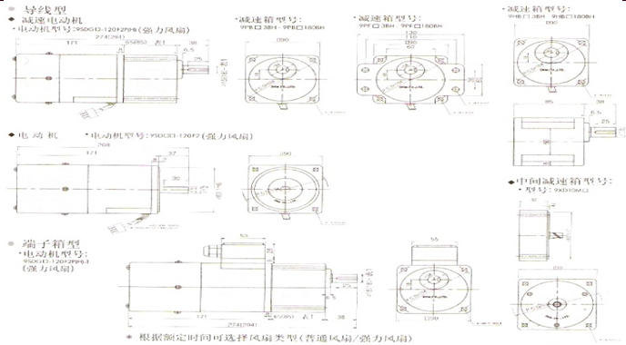
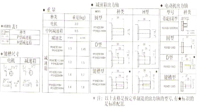
调速电机90W-120W

- 产品参数:
- 产品型号: 9SDG-90F2P
- 额定功率:6W-180W
- 电压:110V/220V
- 转速/极数:4极
- 安装方式:null
详细参数
调速电机90W-120W
调速电机90W-120W有体积小,重量轻等特点,因此也称其为小电机,调速电机是利用改变电机的级数、电压、电流、频率等方法改变电机的转速,以使电机达到较高的使用性能的一种小型减速电机。
(1)输出电流和电压范围,它决定着电路能驱动多大功率的电机。
(2)效率,高的效率不仅意味着节省电源,也会减少驱动电路的发热。要提高电路的效率,可以从保证功率器件的开关工作状态和防止共态导通(H桥或推挽电路可能出现的一个问题,即两个功率器件同时导通使电源短路)入手。
(3)对控制输入端的影响。功率电路对其输入端应有良好的信号隔离,防止有高电压大电流进入主控电路,这可以用高的输入阻抗或者光电耦合器实现隔离。
(4)对电源的影响。共态导通可以引起电源电压的瞬间下降造成高频电源污染;大的电流可能导致地线电位浮动。
(5)可靠性。电机驱动电路应该尽可能做到,无论加上何种控制信号,何种无源负载,电路都是安全的。










粤ICP备11012611号
