产品快速通道
蜗轮丝杆减速机JRSS-T系列

- 产品参数:
- 产品型号: JRSS-T
- 额定功率:null
- 电压:null
- 转速/极数:null
- 减速比:null
- 安装方式:null
详细参数
蜗轮丝杆减速机JRSS-T系列具有起升、下降及借助辅件推进、翻转及各种高度位置调整等诸多功能.SWL蜗轮丝杆升降机是一种基础起重部件,具有结构紧凑、体积小、重量轻、动力源广泛、无噪音、安装方便、使用灵活、功能多、配套形式多、可靠性高、使用寿命长等许多优点。
蜗轮丝杆减速机JRSS-T系列产品特点:产品规格35~150L , 传动比5~40; 输入功率:0.19~16.3KW; 起升为500~26050Kg .共10大规格280种型式可供选用,满足用户需求。 产品定位:等同于台湾晃益产品质量,涡轮采用优质锡青铜精密铸造,确保蜗轮强度。涡轮采用高精度数控滚齿机滚齿,确保蜗轮加工精度。产品结构紧凑,体积小,安装方便。精密强度高,可靠度强,寿命长。功能多样化:具有起升、下降及借助辅助件推进、翻转等多种功能.
蜗轮丝杆减速机JRSS-T系列使用说明:
1.1安装注意事项
11.1 减速机须安装在平整坚固的底座上,底脚螺栓必须紧固、防震。
1.2使用注意事项
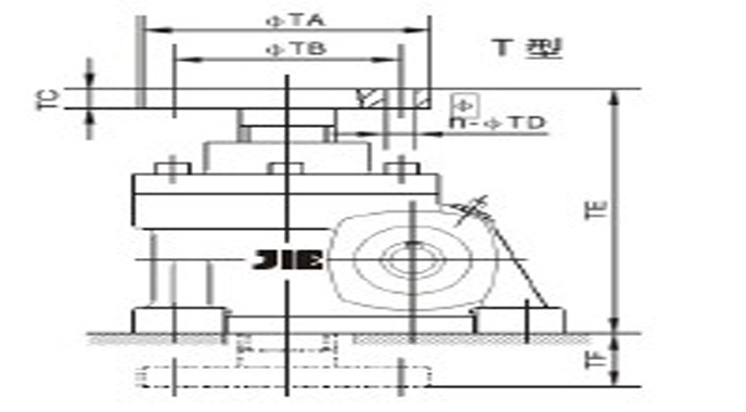
蜗轮丝杆减速机JRSS-T系列详细图纸:

与此型号类似的蜗轮丝杆减速机还有:蜗轮丝杆减速机JRSS-R系列。
深圳蒲江机电专业销售各种齿轮减速机,减速电机,欢迎各位新老客户咨询洽谈。




粤ICP备11012611号
